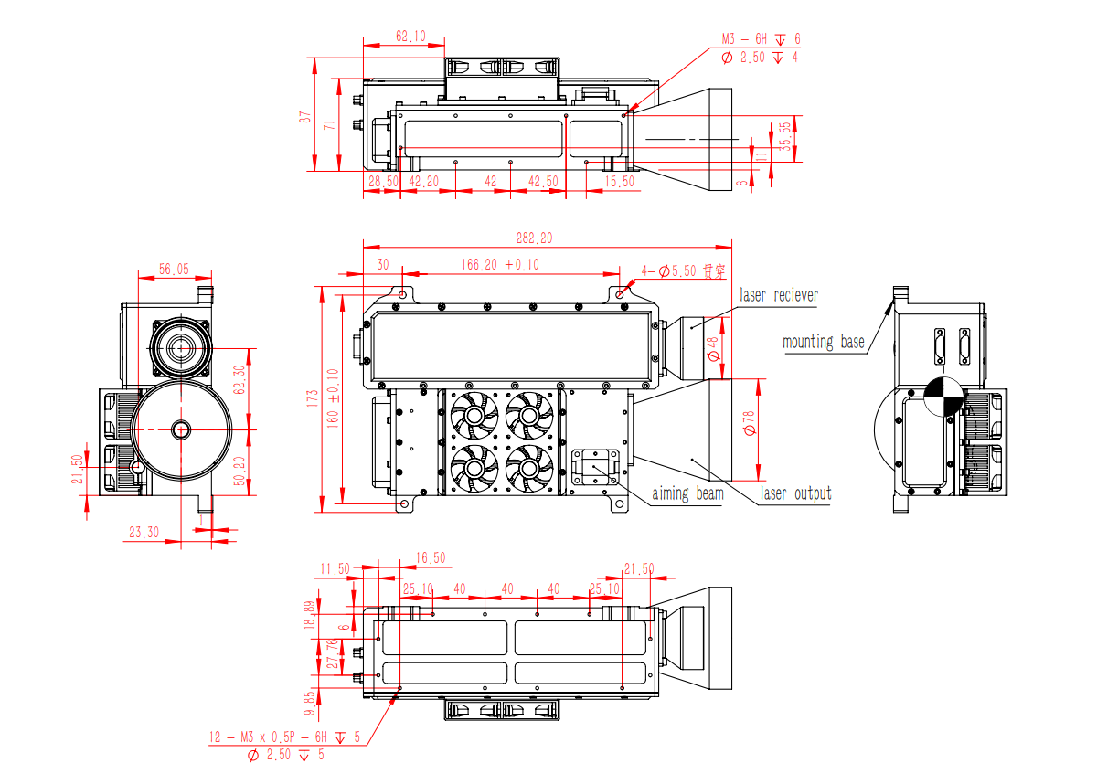
STA-Z80M is een militaire 80MJ laser-doelwitaanwijzer die een cruciale rol speelt in precisie-richtsystemen, in staat om precieze richtlijnen te bieden voor slimme munitie. Via een geavanceerd optisch systeem markeert het het doelwit met een laserstraal, waardoor precisiegeleide wapens het doelwit met een extreem hoge nauwkeurigheid en efficiëntie kunnen vernietigen.
| Hoofdparameters van laserlichtbron | |
| Werkgolflengte | 1064nm ± 1 nm |
| Pompmodus | halfgeleider zijpomp |
| Bestraling frequentie | Nauwkeurige code 45ms - 125ms (controle code 20Hz) |
| Trigger -methode | Beide int. trigger en ext. Trigger (trigger-vertraging: 304US+-1US) |
| Output Energy | ≥80 MJ@20Hz |
| Max.irradiation -afstand | ≥12 km |
| Q Schakelmodus | elektro-optische Q-omschakeling |
| Pulsbreedte | 10ns ~ 20ns |
| Bundel divergentie hoek | Het gebruik van 0,15 mrad (de acceptatiemethode hanteert de hole-gatmethode en de verhouding van gatgat tot gatvrij is niet minder dan 86,5%) |
| Pulse -energie -stabiliteit | ≤8%(RMS) |
| Bestraling werkcyclus | werken 90s, interval 60s; 4 cycli (normale temperatuur of lage temperatuur), 1 cyclus (hoge temperatuur 60 ℃) |
| Stroomvoorziening | DC 24V ± 4V |
| Stroom | <240W (normale temperatuurstormstroom: <2a, piekwerkstroom <10a, hoog- en lage temperatuurstormstroom <3,5a) |
| Communicatieseriële poort | RS422 |
| Externe trigger -interface | 3V differentiaalniveau-aandrijving, RS422-interface (vertragingstijd is 304US +/- 1US van trigger-signaal om uit te lase) |
| Coderingstype | Nauwkeurige frequentiecodering, tijdcodering, pseudo willekeurige codering |
| Precisie gebruiken | <+-1US |
| Laserbereikparameters | |
| Variërende modus | 0 ~ 5Hz variërend |
| Maximaal gemeten afstand | > 30 km (20 km zichtbaarheid, 2,3x2,3 m typisch doel, doelreflectie> 20%) |
| Minimaal gemeten afstand | 300 m |
| Variërend nauwkeurigheid | ± 5m |
| Milieuaanpassingsvermogen | |
| Lage temperatuur | Bedrijfstemperatuur: -40c |
| Opslagtemperatuur: -45 ℃ | |
| Hoge temperatuur | Bedrijfstemperatuur: + 60 ℃ |
| Opslagtemperatuur: +65 ℃. | |
| Vochtige hitte | Relatieve vochtigheid: 95%± 3%; |
| Temperatuur: +35 ℃ ± 2 ℃ | |
| Opslagtijd: 72H. | |
| Invloed | |
| Impact golfvorm | half sinusvormige pols |
| Piekversnelling | 10g |
| Pulsbreedte | 11ms |
| Aantal schokken | 3 In verticale axiale richting |
| Trilling | |
| Frequentiebereik | 5 ~ 16Hz enkele amplitude verplaatsing: 1,5 mm |
| 16 ~ 200Hz (16 ~ 60Hz voor optische apparatuur) Versnelling: 1,5 g | |
| Eén scantijd | 12 minuten |
| Duur | Verticale axiale 36min |

| Pin | Definitie | Inhoud | Type signaal | Opmerkingen |
| 1 | TX+ | RS422 Stuur positief (lokaal) | Uitvoer | Object Host -computer |
| 2 | TX - | RS422 Stuur negatief (lokaal) | Uitvoer | Object Host -computer |
| 3 | Rx+ | RS422 ontvangen positief (lokaal) | Invoeren | Object bovenste computer |
| 4 | RX - | RS422 Ontvang negatief (lokaal) | Invoeren | Object bovenste computer |
| 5 | GND | Ground RS422 | Signaalgebied | Object bovenste computer |
| 6 |
|
|
|
Debug -special van de fabrikant |
| 7 |
|
|
|
Debug -special van de fabrikant |
| 8 |
|
|
|
Debug -special van de fabrikant |
| 9 |
|
|
|
Debug -special van de fabrikant |
| 10 |
|
|
|
Debug -special van de fabrikant |
| 11 |
|
|
|
Debug -special van de fabrikant |
| 12 |
|
|
|
Debug -special van de fabrikant |
| 13 |
|
|
|
Debug -special van de fabrikant |
| 14 |
|
Extern tijdssysteem + | Invoeren | RS422 Differentiaal |
| 15 |
|
Outer Time Tong - | Invoeren | RS422 Differentiaal |
| Pin -nummer | Definitie | Opmerkingen |
| A, B | 24V | De draadkleur is rood |
| C, D | GND | De draadkleur is zwart |
| Voeding en stroomverbruik | Voedingsbereik | 20V ~ 33V, DC |
| Stroomverbruik | Piekvermogen is niet meer dan 240 W, het standby -vermogen is niet meer dan 60 W (kamertemperatuur) | |
| Betrouwbaarheid | MTBF is niet minder dan 4000 uur (de totale schiettijd is groter dan 3 miljoen) | |
| Beveiliging | Stel een waarschuwingsapparaat in voor de laser om te werken | |
| De uitgang van de laserzender is voorzien van voor de hand liggende waarschuwingssignalen | ||
| De apparatuur is goed geaard | ||
| Behoudbaarheid | Alle belangrijke functionele componenten en apparatuur hebben zowel foutindicatoren als indicatoren voor normale werking | |
| De gemiddelde reparatietijd MTTR is niet meer dan 20 minuten | ||
| Elektromagnetische compatibiliteitsvereisten | In het opstartproces van het systeem kan de apparatuur compatibel zijn met andere apparatuur in het systeem en normaal werken | |
| Temperatuur | Bedrijfstemperatuur | -40 ℃ ~ +60 ℃ | ||||
| Opslagtemperatuur | -45 ℃ ~ +70 ℃ | |||||
| Vochtige hitte | Relatieve vochtigheid | 95% ± 3% | ||||
| Temperatuur | +25 ° C ± 2 ° C | |||||
| Opslagtijd | 72h | |||||
| Trilling | Trillingsspectrumvorm (GRMS = 6,06) | 20Hz tot 80Hz | +3DB/okt | |||
| 80Hz tot 350Hz | G2/0,04 Hz | |||||
| 350Hz tot 2000Hz | -3DB/okt | |||||
| Trillingsrichting en tijd | Vibreer in twee richtingen gedurende minimaal 10 minuten. (trillingen in twee richtingen, d.w.z. x -as die zich ook langs de laseras en z -richting bevindt) | |||||
| Controlepunt | moet worden geselecteerd in het armatuur of schudtafeloppervlak nabij de maximale stijfheid van het product, grote apparatuur kan een gemiddelde controle van meerdere punten gebruiken | |||||
| Monitoringpunt | Het monitoringpunt moet worden geselecteerd in het belangrijkste deel van het te testen product, zodat de rootgemiddelde vierkante versnellingsrespons het maximaal toegestane ontwerp niet overschrijdt (GRMS = 6.06) | |||||
| Installatie -eisen | Het monster is stevig bevestigd aan de schudtafel en voor producten die zijn uitgerust met schokdempers, moeten de schokdempers worden verwijderd vóór het testen | |||||
| Performance check | Tijdens het testen van trillingen met de op apparatuur aangedreven, moeten alle prestatie -indicatoren voldoen aan de technische vereisten die in het ontwerpdocument zijn gespecificeerd. In het geval van een storing zijn reparaties toegestaan. Na de reparatie moet de spectrale waarde worden verlaagd tot 0,01 g²/Hz, GRMS = 3,03 en het monster moet worden onderworpen aan trillingen in de richting die het meest gevoelig is voor trillingen gedurende 10 minuten tijdens de acceptatietest. | |||||
| Temperatuurcyclus | Temperatuurbereik | Power-on test | -40 ± 3 ℃ ~ +55 ± 2 ℃ | |||
| Snelheid van temperatuurverandering | Temperatuurstijging | 10 ℃/min | ||||
| Koeling | 10 ℃/min | |||||
| Cyclustijden | Tien cycli moeten worden voltooid, zodat de laatste 2 cycli zonder fouten zijn. Als een fout optreedt tijdens de laatste 2 cycli, zijn na reparaties een extra 2 foutvrije cycli vereist. | |||||
| Fietstijd | Eén cyclustijd is 4H, één cyclus omvat de temperatuurstijging → Temperatuurverblijf → Koeling → Temperatuurverblijf → Temperatuurstijging | |||||
| Verblijftijd met hoge en lage temperatuur | De verblijftijd hangt af van de warmtecapaciteit van het monster. Op basis van het principe van thermische of koude permeabiliteit van product, wordt de interne temperatuur van het monster gedurende 5 minuten gehandhaafd na het bereiken van stabiliteit | |||||
| De vereisten van het product worden getest | Algemene temperatuurcyclusstest met de hele machine moet zo ver mogelijk zijn om de dekking te openen | |||||
| Controleer en repareer | In de stroomtestapparatuur is het na elke temperatuurcyclusstest noodzakelijk om te bevestigen dat de apparatuur vrij is van fouten voordat u naar de volgende temperatuurcyclus gaat | |||||
| Doorweekte vereisten | Doordrenkt wordt uitgevoerd met de hele apparatuur | |||||
| transportvereisten | Apparatuur moet als een heel voertuig worden getransporteerd | |||||
| Als het product geen wegtransporttest heeft ondergaan, kunt u een indoor transportsimulatietest uitvoeren met behulp van een simulatietransporttabel. Deze test omvat het uitvoeren van een sinusvormige cyclische trillingstest om de prestaties van het product te beoordelen | ||||||
| De vereisten van de gesimuleerde transporttabel -test zijn als volgt | ||||||
| Testomstandigheden | Frequentie | 5Hz ~ 200Hz | ||||
| Amplitude | 5Hz ~ 7Hz | |||||
| Amplitude 12 mm ~ 8 mm | ||||||
| 7Hz ~ 200Hz gelijke versnelling 1,5 g | ||||||
| Trillingstestconditie Toegestane afwijking is hetzelfde als breedband willekeurige trillingstest | ||||||
| Richting | Verticale asrichting en zijkant; oriëntatie: verticaal en lateraal aan de as | |||||
| Fietstijd | Log-scan 5Hz ~ 200Hz ~ 5Hz, 12min per cyclus; wanneer de resonantiefrequentie van het monster onder 5Hz wordt gemeten, kan de testfrequentie worden uitgebreid tot 2Hz, 2Hz ~ 200Hz ~ 2Hz scanning, moet de scantijd 15min zijn. | |||||
| Controleer na de transporttest op tekenen van schade of structureel losraken en voer een inspectie uit van technische indices om ervoor te zorgen dat ze aan de ontwerpvereisten voldoen | ||||||